Herman, ik probeer eerst een beetje te verwoorden wat ik heb begrepen van de functie van de afregelpunten. Timo en ik hebben besloten om een uitgebreid afregel document te schrijven. Sommige punten zijn vrij lastig en ik denk dat een meetzender ook wel handig is. Maar eerst even wat tijdelijke informatie als opstapje. Neem me niet kwalijk als er nog een kleine fout in zit:
on1bes schreef:3) De Tuner instellingen
- zonder de AGC potmeter aangesloten komt er niet veel uit de tuner
- de AFC pot is niet direct nodig, vermits op de tuner er al een C en 2 weerstanden aanwezig zijn ?
- moet er nog gedraaid worden aan de externe schroef van de 2e oscillator op de tuner ??
AGC potmeter plaatsen met de loper op AGC, één kant op massa en andere kant op naastgelegen 24V punt. Neem een potmeter die niet te laag is in weerstand, om te voorkomen dat er onnodig veel stroom gaat lopen. 100k is mooi. Stel deze eerst af op maximaal. Aan het eind kun je de spectrum analyser wat meer lineair maken als de tuner iets gedempt wordt door de AGC iets terug te regelen. Dan is de tuner over het gehele frequentiebereik wat meer gelijk.
AFC stel je in op ongeveer 3 á 4 V. Gebruik gerust een spanningsdeler met twee weerstanden, zoals nu, maar de spanning moet iets omlaag, dus heb ik een potmeter met de loper aangesloten op dit AFC punt, andere kant aan massa en weer de andere kant op 5V. Nadat de AFC op ca. 3 tot 4V staat, regel je verder af met de stelschroef. Dit beinvloed ook de relatie tussen de center frequentie en wat de counter weergeeft. Wijkt de counter dus af, regel dan de AFC.
on1bes schreef:1) De sweepgenerator
op wat let je als je de pometers insteld ?
- P1 = Hor. Shift ?
- P2 = Sweep Time ?
- P3 = Horiz. Out ?
- P7 = Blank 2 ?
Hor shift P1 stel je steeds wat bij nadat je de 0 MHz paal in beeld ziet. Kijk op de counter tot daar ca. 000,0 MHz staat en regel de hor-shift zodanig af, dat de paal in het midden van de scoop staat. Het is een kwestie van balanceren, want andere potmeters beïnvloeden ook deze stand. Eigenlijk moet eerst de tuner en IF grof worden afgeregeldom überhaupt een paal te zien op 0 MHz (begin dan ook met die paal op 0 MHz), in plaats van een bult. In de tuner kunnen de twee inbus ferriet kernen worden afgeregeld en de AFC draai je ongeveer een halve centimeter in tot hij een mooie hogere vorm heeft. Deze kernen breken snel, dus voorzichtig met een goed passende (liefst kunststof) inbus afregelen zodat deze kring wat omlaag getrokken wordt (staat op 38MHz en moet nu 30MHz worden).
Sweep time (P2) stel je zodanig in, dat het beeld op de scope niet meer hinderlijk knippert. Te snel zorgt ervoor, dat de IF het niet meer bijhoudt, dus kies gewoon een comfortabele waarde (tegen de klok in is sneller).
Hor out (P3) regel je zodanig af, dat de het beeld qua breedte past in het scoop scherm.
P7 moet ik weer even nakijken.
De IF module is wat lastig, maar begin op 250kHz bandbreedte en regel eerst op de 0 MHz af (begin eerst met signaalsterkte en zorg dat de tuner al vrij optimaal staat), omdat daar die paal in beeld te zien moet zijn. Als de niveaus uit de tuner en IF wat hoger zijn, kun je omschakelen naar 25kHz en hopelijk zie je dan nog een klein paaltje. De meeste afregelpunten werken voornamelijk op deze 25kHz stand(TC1 ook op 250KHz). Set gain 25kHz is om de paal van 25kHz even hoog te laten zijn als in de 250kHz stand. Dat doe je dus pas aan het einde. Zet de potmeters eerst maar in het midden. P3 stel je ook pas aan het einde in. Dat moet je doen met een 10dB verzwakker. Verzwak je 10dB, moet dat één hokje zijn op de scoop. Dat calibreer je met die potmeter.
Belangrijk.... deze tekst is even gauw uit mijn mouw geschud en is nog niet echt compleet. Maar ik hoop dat je zo even een opstapje hebt, zodat wij wat tijd kunnen nemen in het schrijven van een document. Nogmaals... bovenstaande beweringen kunnen nog wat kleine foutjes bevatten.

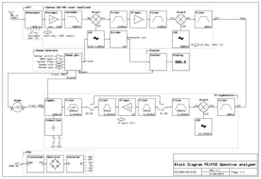
O ja, nog een foutje gevonden in het blokschema. De schakelaars op de IF (BW, VideoFilter1 en VideoFilter2) moeten niet naar ground worden geschakeld, maar naar een spanning tussen 5 en 12V (niet zo kritisch).